
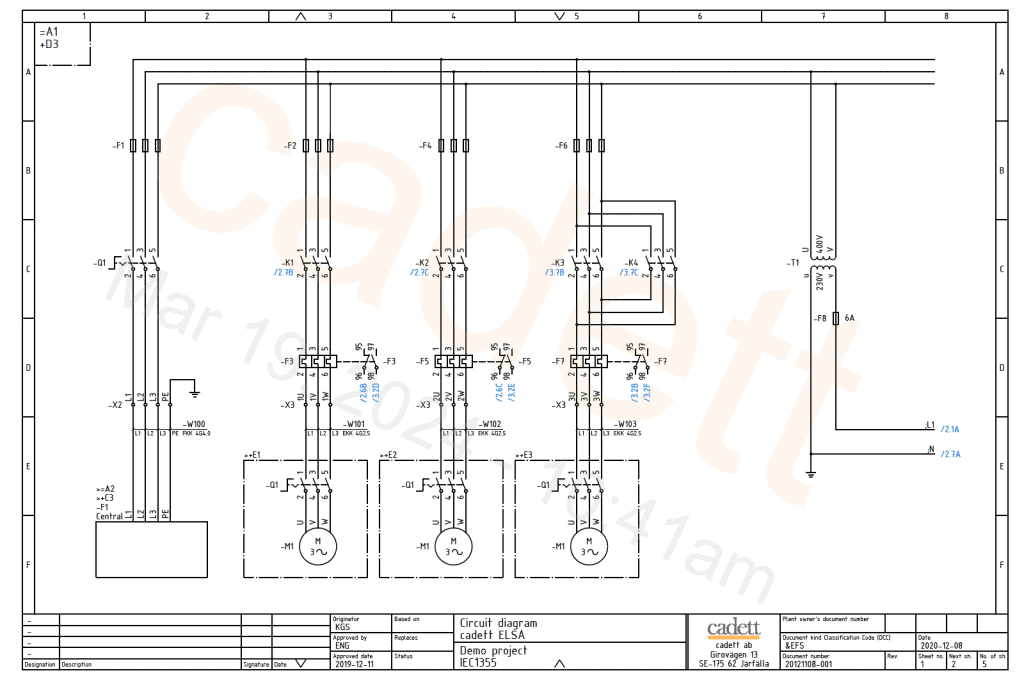
Med cadett ELSA Start skapar du dina kretsscheman snabbt och effektivt.
cadett ELSA Start är den perfekta produkten att starta med för de mindre projekten. Den innehåller alla nödvändiga funktioner för att snabbt och effektivt skapa kretsscheman, skåplayouter, apparatlistor, innehållsförteckningar och mycket annat.
Du kan uppgradera till cadett ELSA LT för större projekt samt cadett ELSA Professional eller cadett ELSA Enterprise för att få automatisk förbindningsnumrering och förbindningstabeller.
cadett ELSA Start har en inbyggd AutoCAD OEM som ger ett väldigt prisvärt system som är helt kompatibelt med de andra cadett ELSA-produkterna.
cadett ELSA Start finns bara som singelversion. Behöver du nätverksstöd med flera användare så är cadett ELSA LT produkten du skall starta med.
Skillnaderna mellan cadett ELSA-produkterna framgår av jämförelselistan nedan.

Hanterar projekten i valfritt antal revisioner och spårar alla ändringar helt automatiskt.

Kontrollerar att alla dokument stämmer med varandra och hjälper till att rätta det som avviker.

CADENAS artikelportal innehåller hundratusentals artiklar och är helt integrerad i cadett ELSA.

Med rapportgeneratorn skapar du snabbt och enkelt rapporter i valfria format som AutoCAD och Excel. Med QuickPDF skapar du blixtsnabbt kompletta PDF-filer med hyperlänkar för korsreferenserna.
Tabellen nedan visar skillnaderna mellan de olika cadett ELSA-produkterna, vilka funktioner som finns i vilken produkt.
1) Ändringarna i tabellen överförs OnLine till kretsschemat.
För att ge en bra upplevelse använder vi teknik som cookies för att lagra och/eller komma åt enhetsinformation. När du samtycker till dessa tekniker kan vi behandla data som surfbeteende eller unika ID:n på denna webbplats. Om du inte samtycker eller om du återkallar ditt samtycke kan detta påverka vissa funktioner negativt.

cadett ELSA LT har en inbyggd äkta AutoCAD OEM för 100 % kompatibilitet med AutoCAD. Denna kombination är mycket prisvärd. cadett ELSA LT kan uppgraderas till cadett ELSA Professional eller cadett ELSA Enterprise. Alla cadett ELSA-produkter är fullt kompatibla med varandra.

cadett ELSA har massor med automatik, bland annat automatiska korsreferenser, automatisk plintnumrering, automatisk postbeteckningsgenerering, kabelpartnumrering och trådnumrering.
Se produktjämförelsen för fler detaljer.

Vi kallar den för Dynamic OnLine. Den ger direkt åtkomst till apparatlistor, förbindningstabeller, plinttabeller och kabeltabeller. Du kan redigera innehållet direkt på skärmen. Kretsschemablad och andra dokument i projektet uppdateras blixtsnabbt med dina ändringar, helt automatiskt.





Optionshanteraren i cadett ELSA ger dig möjlighet att definiera valfritt antal optioner som omfattar flera blad och som antingen är aktiva eller inte. Detta ger stora möjligheter till effektivisering redan från start.
Vill du bygga vidare på detta, kanske med ett regelverk och möjlighet till styrning utifrån, exempelvis med en konfigurator? Vi hjälper dig att sätta upp en lösning som är optimerad för just dina behov.


Ett samarbetsavtal mellan cadett och CADENAS ger alla användare av cadett ELSA tillgång till en inbyggd portal med hundratusentals artiklar. Med den går det enkelt att söka reda på rätt artikel för att sedan hämta hem metadata och symboler, både för layout i 2D och 3D, och kretsschema. Allt baseras på eClass-standarden som i sin tur bygger på ISO3584 och IEC1360.
Läs mer om eClass under FAQ.

Om du vill, kan du börja ditt konstruktionsarbete med skåplayouten. När det är dags för kretsschemat så får du då automatiskt en plocklista med allt som skall sättas in i kretsschemat. Eller så gör du tvärtom. Du kan börja med kretsschemat och från det få en plocklista för skåplayouten. Ett tredje alternativ är att arbeta parallellt. Du har en fullständig frihet att göra som du vill med en automatisk konsistenskontroll som jämför de olika dokumenttyperna med varandra och både ger dig besked om vad som avviker, och hjälper dig att komplettera med det som saknas.
Det finns funktioner för att omvandla en skåplayout i 2D till 3D, vilket ger möjlighet till en enkel kollisionskontroll. Finns det plats för allting, i alla riktningar? De fysiska storlekarna i alla tre dimensioner finns tillgängliga i cadett ELSA:s artikeldatabas.
Förbindningshanteringen tar hänsyn till hur apparaterna är placerade i skåplayouten för att optimera kopplingsordningen, så att trådarna dras den kortaste vägen.
Förbindningstabellen kan enkelt exporteras, exempelvis till Autodesk Inventor, Solid Edge, Solidworks eller andra 3D-CAD-system.
Om du saknar användarnamn och lösenord, eller om du har glömt ditt lösenord, gå in under ”Support” och välj ”Lösenordsbegäran”.
Boka en gratis demonstration av cadett ELSA genom att fylla i dina uppgifter här: