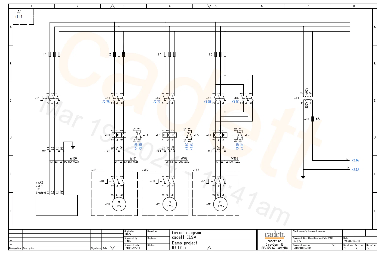
Above, we have given some examples of customizations that we can help you with. The examples come from typical assignments that we frequently undertake on behalf of our clients.
Maybe you have some completely different ideas? Do not hesitate to contact us for an open discussion. We have the skills and resources to make your work more effective!




















